您当前的位置:成果库 > 一种基于KVM混合式设备虚拟化方法
基本信息
- 成果类型 高等院校
- 委托机构 西安电子科技大学
- 成果持有方 西安电子科技大学
- 行业领域 三网融合
- 项目名称 一种基于KVM混合式设备虚拟化方法
- 知识产权 发明专利
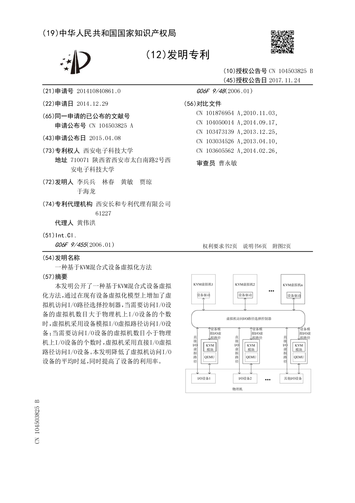
- 项目简介 本发明公开了一种基于KVM混合式设备虚拟化方法,通过在现有设备虚拟化模型上增加了虚拟机访问I/O路径选择控制器,当需要访问I/O设备的虚拟机数目大于物理机上I/O设备的个数时,虚拟机采用设备模拟I/O虚拟路径访问I/O设备;当需要访问I/O设备的虚拟机数目小于物理机上I/O设备的个数时,虚拟机采用直接I/O虚拟路径访问I/O设备。本发明降低了虚拟机访问I/O设备的平均时延,同时提高了设备的利用率。
-
交易信息
- 意向交易额 面议
- 挂牌时间 2017/11/24
- 委托机构 西安电子科技大学
- 联系人姓名 王小刚
- 联系人电话 15802954800
- 联系人邮箱 745490733@qq.com
- 分享至:


447
2018/08/27
咨询成果
发布成果