您当前的位置:成果库 > 一种稳定性高的滚筒洗衣机
基本信息
- 成果类型 高等院校
- 委托机构 西安电子科技大学
- 成果持有方 西安电子科技大学
- 行业领域 机电一体化机械
- 项目名称 一种稳定性高的滚筒洗衣机
- 知识产权 发明专利
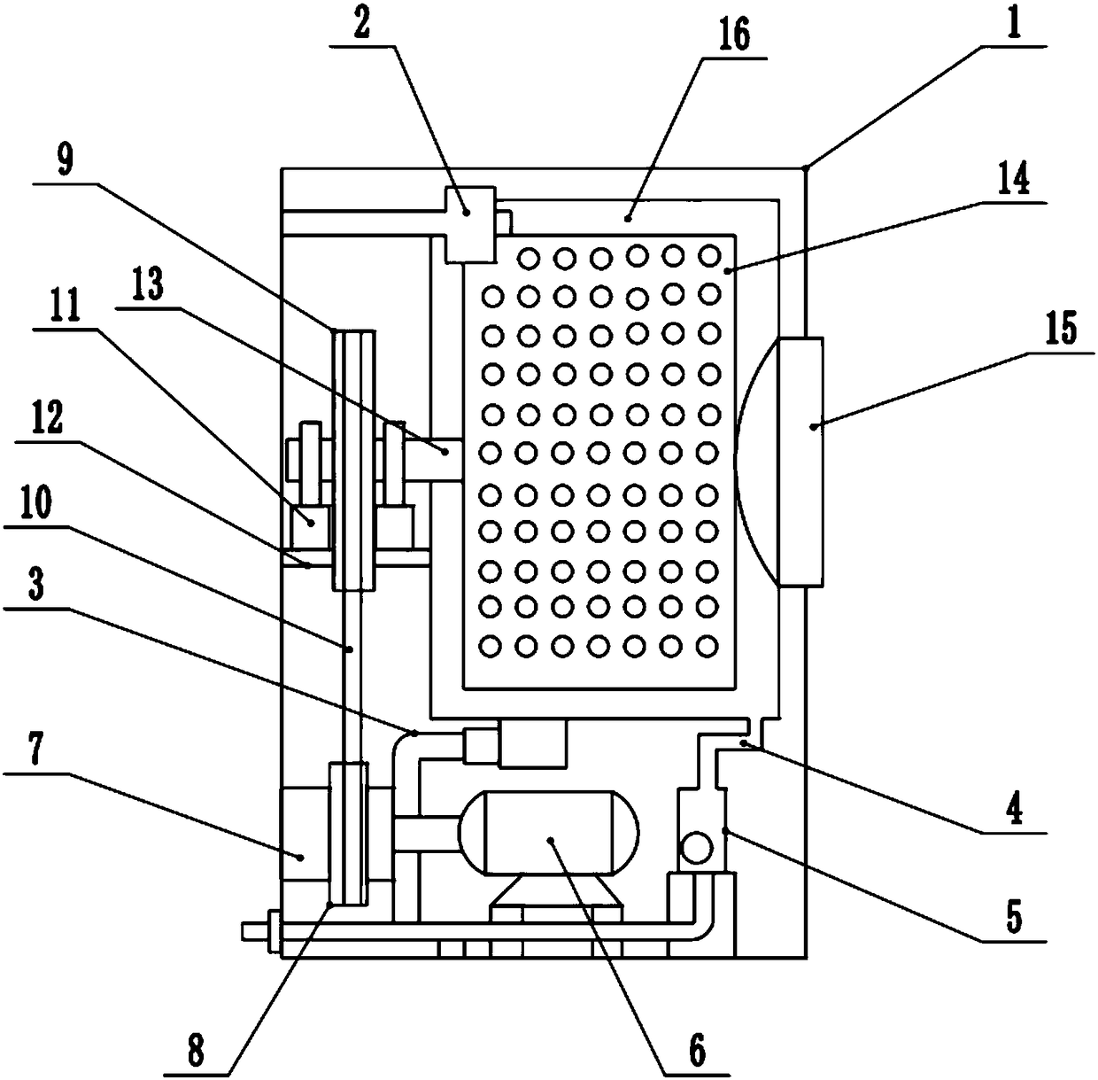
- 项目简介 本实用新型公开了一种稳定性高的滚筒洗衣机,包括机体,所述机体设置机壳,机体的内部设置外筒,所述外筒的内部设置内筒,机体的顶部设置进水管,所述机体的右侧设置门,机体的底部设置出水管和溢水管,所述机体的内部设置电机,所述机壳的内部设置固定轴,所述转轴上设置带轮A,所述机体的内部设置挡板,所述挡板的上方设置固定架,轴承的内部设置一根转动轴,所述转动轴上设置带轮B,所述带轮B与带轮A之间设置皮带;本实用新型有效地防止了电机的转轴产生轴跳,通过将电机设置在机体的底部有效的增强了机体的稳定性能,很大程度上的避免了电机直接作用于内筒而造成的振动,增加固定架极大的提高了机体的稳定性能,使用性强。
-
交易信息
- 意向交易额 面议
- 挂牌时间 2017/12/15
- 委托机构 西安电子科技大学
- 联系人姓名 王小刚
- 联系人电话 15802954800
- 联系人邮箱 745490733@qq.com
- 分享至:


433
2018/08/25
咨询成果
发布成果