您当前的位置:成果库 > 一种具有单向迟滞性的施密特触发器
基本信息
- 成果类型 高等院校
- 委托机构 西安电子科技大学
- 成果持有方 西安电子科技大学
- 行业领域 系统集成
- 项目名称 一种具有单向迟滞性的施密特触发器
- 知识产权 发明专利
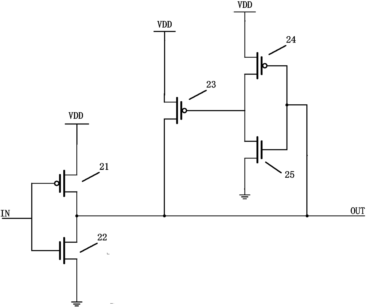
- 项目简介 本实用新型涉及一种具有单向迟滞性的施密特触发器,包括第一PMOS管、第一NMOS管、第二PMOS管、第二NMOS管和第三PMOS管:所述第一PMOS管和第一NMOS管决定的输入电压值为所述施密特触发器的高电平的阈值电压;由所述第一PMOS管、第一NMOS管和第二PMOS管决定所述施密特触发器的低电平的阈值电压,即施密特触发器的迟滞电压;第二NMOS管和第三PMOS管组成反相器用以减小寄生电容加快反向迟滞的特性。本实用新型具有单向迟滞性的施密特触发器参数简单,所用管子数量少,占用的面积小。
-
交易信息
- 意向交易额 面议
- 挂牌时间 2017/12/29
- 委托机构 西安电子科技大学
- 联系人姓名 王小刚
- 联系人电话 15802954800
- 联系人邮箱 745490733@qq.com
- 分享至:


421
2018/08/20
咨询成果
发布成果